GENERAL
The item is in comply with standard of IEC61008-1, applying to the circuit of AC 50/60Hz, 230V single phase, 400V three phases or below it for industrial and mining enterprise, trade building, commerce and family. It is mainly used for preventing electric fire and personal casual accident caused by personal electric shock or leakage of electrified wire net, this is a current operated, fast leakage protector of pure electromagnetic type, which can break off fault circuit rapidly in order to avoid occurrence of accident. The item is precise in structure, less elements, without auxiliary power and high working reliability. The function of the switch won't be influenced by ambient temperature and lightning. The mutual inductor of the item is used to test vector differential value of passing current, and produces a relevant output power and add it to the tripper in secondary winding, if the current of vector differential value of protected circuit of personal electric shock is up to or over leakage operating current, the tripper will act and cut off so that the item will take effect of protection.
SPECIFICATIONS

SPECIFICATIONS
| Standard | Unit | IEC/EN61008 | |
Electrical features | Mode | Electro-magnetic type ,electronic type | |
| Type(wave form of the earth leakage sensed) | A,AC | ||
| Rated current In | A | 16,25,32,63,80,100,125 | |
| Poles | P | 2,4 | |
| Rated voltage Ue | V | AC 230/400 | |
| Rated sensitivity I△n | A | 0.01,0.03,0.1,0.3 | |
| Insulation voltage Ui | V | 500 | |
Rated residual making and breaking capacity I△m | A | 1250 | |
| Short-circuit current I△c | A | 6000 | |
| SCPD fuse | A | ![]() | |
| Rated frequency | Hz | 50/60 | |
| Pollution degree | 2 | ||
Mechanical features | Electrical life | t | 4000 |
| MechanicaI Iife | t | 10000 | |
| Protection degree | IP20 | ||
Ambient temperature (with daily average≤35℃) | ℃ | -25~+40 | |
| Storage temperature | ℃ | -25~+70 | |
| Installation | Terminal connection type | Cable/ U-type busbar/pin-type busbar | |
| Terminal size top/bottom for cable | mm2 | 35 | |
| AWG | 18-3 | ||
| Terminal size top/bottom for busbar | mm2 | 35 | |
| AWG | 18-3 | ||
| Tightening torque | N*m | 2.5 | |
| In-lbs. | 22 | ||
| Mounting | On DIN rail EN 6071 5(35mm)by means of fast clip device | ||
| Connection | From top and bottom |
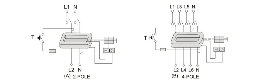
WIRING DIAGRAM

OVERALL AND MOUNTING DIMENSIONS(MM)

RESIDUAL CURRENT CIRCUIT BREAKER : A/AC type


